
Description détaillée du produit
| Avantage: | Haute vitesse | Vitesse d'étiquetage: | 60 à 200 pièces / min |
|---|---|---|---|
| Une fonction: | Étiquetage autocollant adhésif | Matériel: | Acier inoxydable |
| Type de bouteille: | Pot d'étiqueteuse de bouteille ronde automatique | Application: | Pour tous les types de conteneurs ronds |
| Marque Plc: | MITSUBISHI (Japon) | Moteur d'étiquetage servo: | DELTA (Taïwan) |
machine d'étiquetage de vin rouge machine d'étiquetage de bouteille de vin en verre, système de contrôle PLC machine d'étiquetage de marque MITSUBISHI
Traits:
1. Opération: le système de contrôle PLC rend la machine d'étiquetage facile à utiliser
2. Matériel: Le corps principal de la machine à étiqueter est en acier inoxydable SUS304
3. Configuration: Nos étiqueteuses adoptent des pièces de marque japonaises, allemandes, américaines, coréennes ou taïwanaises bien connues
4. Flexibilité: le client peut choisir d'ajouter une imprimante et une machine à coder; peut choisir de se connecter avec converyer ou non.
Paramètres techniques:
| Nom | Bouteille de vin ronde automatique pour machine d'étiquetage de bouteilles rondes rétractables à manchon à grande vitesse |
| Vitesse d'étiquetage | 60 à 350 pièces / min |
| Hauteur de l'objet | 30 à 350 mm |
| Épaisseur de l'objet | 20 à 120 mm |
| Hauteur de l'étiquette | 5 à 180 mm |
| Longueur de l'étiquette | 25 à 300 mm |
| Diamètre intérieur du rouleau d'étiquettes | 76 mm |
| Diamètre extérieur du rouleau d'étiquettes | 420 mm |
| Précision de l'étiquetage | ± 1 mm |
| Source de courant | 220V 50 / 60HZ 3,5KW |
| Consommation de gaz de l'imprimante | 5Kg / m2 (si ajouter une machine de codage) |
| Taille de la machine à étiqueter | 2800 (L) × 1650 (L) × 1500 (H) millimètre |
| Poids de la machine à étiqueter | 180 kg |
Configuration
| Non. | Partie | marque | quantité |
| 1 | PLC | MITSUBISHI (Japon) | 1 |
| 2 | Convertisseur principal | DANFOSS (Danemark) | 1 |
| 4 | IHM | WEINVIEW (Taïwan) | 1 |
| 5 | Moteur d'étiquetage servo | DELTA (Taïwan) | 1 |
| 6 | Pilote de moteur d'étiquetage servo | DELTA (Taïwan) | 1 |
| 7 | Moteur de convoyeur | HY (Taïwan) | 1 |
| 8 | Boîte de vitesses de moteur de convoyeur | HY (Taïwan) | 1 |
| 9 | Moteur de bouteille de division | GPG (Taïwan) | 1 |
| 10 | Réducteur de moteur de bouteille de division | GPG (Taïwan) | 1 |
| 11 | Régulateur de vitesse du moteur de séparation de bouteilles | GPG (Taïwan) | 1 |
| 12 | Moteur à rayons | GPG (Taïwan) | 1 |
| 13 | Motoréducteur à rayons | GPG (Taïwan) | 1 |
| 14 | objet détecte l'oeil magique | OMRON (Japon) | 1 |
| 15 | fibre optique | OMRON (Japon) | 1 |
Détail de la machine:

32 principales pièces de machine à étiqueter

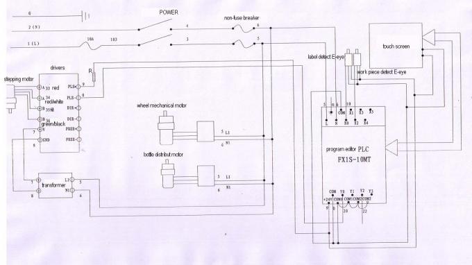
Schéma

FAQ:
1.label obtient des bulles
Les raisons:
① la planche à décoller n'est pas bonne / n'est pas plate;
② la planche de charrue n'est pas bonne / pas plate;
③ la sortie d'étiquetage est trop rapide ou la vitesse de la chaîne de montage est trop faible;
④ l'étiquette est tirée trop lâche
Solutions:
① changer une planche à décoller plate;
② changer une planche de charrue plate;
③ ralentir la vitesse de sortie de l'étiquetage ou augmenter la vitesse de la chaîne de montage;
④ impactez correctement la bande d'étiquettes.
Marque: étiqueteuse industrielle, étiqueteuse de bouteilles en verre









